سری W یاطاقان غلتکی
سری W یاطاقان غلتکی
سری W یاطاقان غلتکی

سری W

یاتاقان های غلتکی Orbital سری W یا بلبرینگ های دقیق هستند که به طور خاص برای مقاومت در برابر بارهای زیاد و شرایط شدید کار طراحی شده اند. آنها به طور گسترده در راه آهن ، معدن و ماشین آلات سنگین و سایر زمینه ها استفاده می شوند. ویژگی اصلی این نوع یاتاقان استفاده از غلطک ها به عنوان عناصر نورد است. در مقایسه با یاتاقان های توپ سنتی ، غلطک ها می توانند منطقه تماس بزرگتر را فراهم کنند ، بنابراین ظرفیت بار بالاتر و مقاومت بهتری در برابر تغییر شکل دارند. یاطاقان غلتکی مداری سری W معمولاً از فولاد با استحکام بالا ساخته می شود و سطح آن به ویژه تحت درمان قرار گرفته است تا از مقاومت در برابر سایش و مقاومت در برابر خوردگی برخوردار باشد. علاوه بر این ، آنها برای کاهش اصطکاک و سر و صدا ، بهبود راندمان عملیاتی و گسترش عمر خدمات طراحی شده اند. طراحی متنوع محصولات سری W آنها را قادر می سازد تا با نیازهای محیط های مختلف کار سازگار شوند و از عملکرد کارآمد و پایدار تجهیزات اطمینان حاصل کنند. $ $ $

ارسال درخواست

پارامترهای محصول

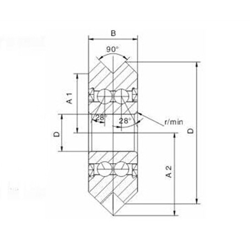
نوع ابعاد (میلی متر) Chamfer (R/min) بار (KN)
د د شرح A1 A2
W0 4 14.84 6.35 5.94 9.12 0.3 1
W0x 4 14.84 6.35 5.94 9.12 0.3 1
W1 4.763 19.56 7.87 7.9. 11.86 0.3 2.2
w1x 4.763 19.56 7.87 7.93 11.86 0.3 2.2
W2 9.525 30.73 11.1 12.7 18.24 0.3 4.9
w2x 9.525 30.73 11.1 12.7 18.24 0.3 4.9
W3 12 45.72 15.88 19.05 26.98 0.6 9.4
w3x 12 45.72 15.88 19.05 26.98 0.6 9.4
w4 15 59.94 19.05 25.4 34.93 1 14.8
W4x 15 59.94 19.05 25.4 34.93 1 14.8
W4xl 22 75.39 25.4 31.75 44.45 1.1 20.6
w4xxl 22 75.39 25.4 31.75 44.45 1.1 20.6
w1ssx 4.763 19.56 7.87 7.93 11.86 0.3 2.2
w2ssx 9.525 30.73 11.1 12.7 18.24 0.3 4.9
w3ssx 12 45.72 15.88 19.05 26.98 0.6 9.4
w4ssx $ $ $ 15 59.94 19.05 25.4 34.93 1 14.8

درباره Yinin

شرکت تحمل و انتقال شانگهای یینین تأسیس در سال ۲۰۰۹، با بیش از ۲۰ سال تجربه در زمینه بلبرینگ. ما چین سری W یاطاقان غلتکی تولیدکننده و ارائه دهنده سفارشی سری W یاطاقان غلتکی کارخانه. از سال ۱۹۹۹، ما به عنوان نماینده تولیدکنندگان بلبرینگ چینی فعالیت می‌کنیم و بلبرینگ‌های مختلفی را صادر می‌کنیم. امروزه، ما به یک گروه جامع بلبرینگ تبدیل شده‌ایم که فروش و تولید را با هم ادغام می‌کند.

کاربرد صنعتی

یاتاقان ها همچنین در ماشین آلات کشاورزی نقش بسیار مهمی دارند. آنها برای حمایت از قطعات چرخان ، کا...

یاتاقان ها به طور گسترده ای در اتومبیل استفاده می شوند. آنها قسمتهای اصلی پشتیبانی و چرخان بسیاری...

برای پشتیبانی ، ارتفاع ، زاویه ، مفصل و قطعات چرخان تجهیزات پزشکی استفاده می شود. $ $ $

برای پشتیبانی ، چرخش ، موتور و کمپرسور لوازم خانگی استفاده می شود. $ $ $

مورد استفاده برای چرخش و حرکت پشتیبانی و راهنمایی قطعات تجهیزات اتوماسیون $ $ $

در سازه های ساختمان ، از یاتاقان ها می توان برای اتصال اجزای ساختاری مختلف استفاده کرد. $ $ $

در فرآیند تولید مواد غذایی و نوشیدنی ها ، پمپ ها برای انتقال مایعات و کمپرسورها برای فشرده سازی گ...

یاتاقان ها در موتورهای هواپیما و فضاپیما برای پشتیبانی از اجزای چرخشی مانند توربین ها ، فن ها و ش...

اطلاعات اخبار

بیشتر بدانید

2025-10-30

Application and Selection Recommendations of Deep Groov...
The deep groove ball bearing is the workhorse of the electric motor industry, serving as a critical component in everything from small appliance motors to large industrial drives. Its versatility, rel...

2025-10-24

Deep Groove Ball Bearing Installation Direction and Pre...
Proper installation is the most critical factor determining the performance, accuracy, and service life of a deep groove ball bearing. Unlike tapered roller bearings, a common point of confusion surro...

2025-10-17

How to Judge the Service Life and Wear Degree of Deep G...
Deep groove ball bearings are among the most common and versatile bearing types, found in everything from small electric motors to heavy industrial machinery. Their reliability is critical, but like a...

تماس با ما

SUBMIT

مشاوره فنی

  • شرکت تحمل و انتقال شانگهای یینین

    راهکارهای سفارشی

  • شرکت تحمل و انتقال شانگهای یینین

    تحقیق و توسعه مداوم

  • شرکت تحمل و انتقال شانگهای یینین

    کنترل کیفیت

  • شرکت تحمل و انتقال شانگهای یینین

    پشتیبانی و آموزش فنی

  • شرکت تحمل و انتقال شانگهای یینین

    پاسخ سریع

در صورت داشتن هرگونه مشاوره یا بازخورد فنی، ما در اسرع وقت حرفه‌ای‌ترین پاسخ را به شما ارائه خواهیم داد!

تماس با ما