سری LV یاطاقان غلتکی
سری LV یاطاقان غلتکی
سری LV یاطاقان غلتکی

سری LV

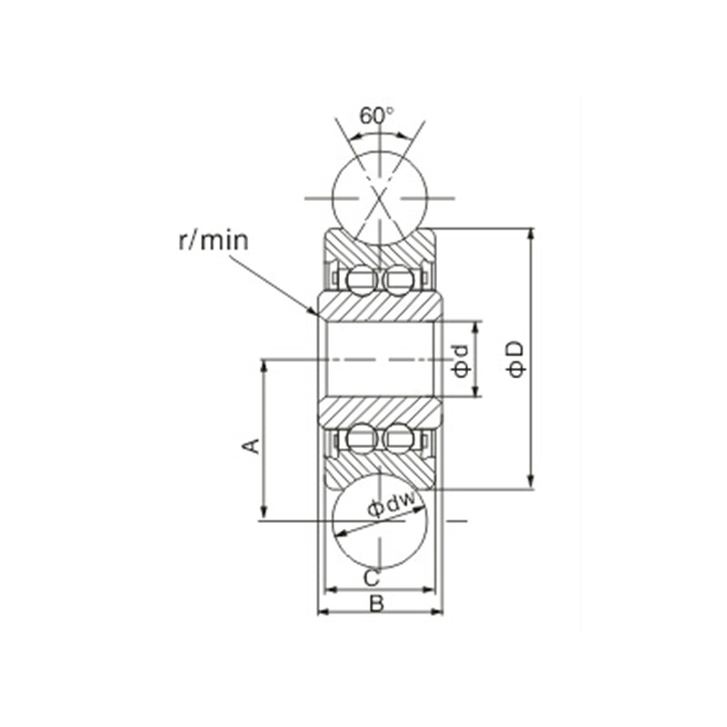
یاطاقان غلتکی راهنمای سری LV نوعی بلبرینگ است که به طور خاص در سیستم های راهنمای خطی مورد استفاده قرار می گیرد و معمولاً در تجهیزات اتوماسیون صنعتی و ماشین آلات دقیق مورد استفاده قرار می گیرد. آنها یک کانتور بیرونی V شکل دارند که دقیقاً با راه آهن راهنمای V شکل مطابقت دارد ، بنابراین یک اثر نورد پایدار را ارائه می دهد. این طرح نه تنها منطقه تماس بین راه آهن راهنما و غلتک را افزایش می دهد ، بلکه ظرفیت بار و مقاومت سایش را نیز تقویت می کند و باعث می شود آن برای سرعت زیاد و شرایط بار سنگین مناسب باشد. یاتاقان های سری LV به طور گسترده در ماشین آلات نساجی ، تجهیزات روباتیک ، ماشین آلات بسته بندی و سایر زمینه ها استفاده می شود ، به خصوص در شرایطی که موقعیت با دقت بالا و اصطکاک کم مورد نیاز است. $ $ $

ارسال درخواست

پارامترهای محصول

نوع چرخ وزن ابعاد (میلی متر) بار (KN)
(کیلوگرم) دW د D شرح جف بوها α RS CW گاو
LV 20/7 ZZ 17 10 7 22 11 11 14.5 120 0.3 3.78 2.05
LV 20/8 ZZ 49 10 8 30 14 14 18.1 120 0.3 5.13 2.67
LV 202-38 ZZ 87 10 15 38 17 17 22.3 120 0.5 8.47 5.37
LV 202-40 ZZ 110 10 15 40 18 18 22 120 0.5 8.47 5.37
LV 201 ZZ 130 20 12 41 20 20 28 120 0.3 8.47 5.37
LV 201-14.2RS 107 14 12 39.9 20.1 18 24 100 0.5 8.9 5
LV 202-41 ZZ 116 20 15 41 20 20 28 120 0.5 8.47 5.37
LV 203 ZZ 325 20 17 58 25 25 35 120 0.5 14.66 9.1
LV 204-57 ZZ $ $ $ 290 30 20 57 22 22 41 120 0.6 14.66 9.1

درباره Yinin

شرکت تحمل و انتقال شانگهای یینین تأسیس در سال ۲۰۰۹، با بیش از ۲۰ سال تجربه در زمینه بلبرینگ. ما چین سری LV یاطاقان غلتکی تولیدکننده و ارائه دهنده سفارشی سری LV یاطاقان غلتکی کارخانه. از سال ۱۹۹۹، ما به عنوان نماینده تولیدکنندگان بلبرینگ چینی فعالیت می‌کنیم و بلبرینگ‌های مختلفی را صادر می‌کنیم. امروزه، ما به یک گروه جامع بلبرینگ تبدیل شده‌ایم که فروش و تولید را با هم ادغام می‌کند.

کاربرد صنعتی

یاتاقان ها همچنین در ماشین آلات کشاورزی نقش بسیار مهمی دارند. آنها برای حمایت از قطعات چرخان ، کا...

یاتاقان ها به طور گسترده ای در اتومبیل استفاده می شوند. آنها قسمتهای اصلی پشتیبانی و چرخان بسیاری...

برای پشتیبانی ، ارتفاع ، زاویه ، مفصل و قطعات چرخان تجهیزات پزشکی استفاده می شود. $ $ $

برای پشتیبانی ، چرخش ، موتور و کمپرسور لوازم خانگی استفاده می شود. $ $ $

مورد استفاده برای چرخش و حرکت پشتیبانی و راهنمایی قطعات تجهیزات اتوماسیون $ $ $

در سازه های ساختمان ، از یاتاقان ها می توان برای اتصال اجزای ساختاری مختلف استفاده کرد. $ $ $

در فرآیند تولید مواد غذایی و نوشیدنی ها ، پمپ ها برای انتقال مایعات و کمپرسورها برای فشرده سازی گ...

یاتاقان ها در موتورهای هواپیما و فضاپیما برای پشتیبانی از اجزای چرخشی مانند توربین ها ، فن ها و ش...

اطلاعات اخبار

بیشتر بدانید

2025-10-30

Application and Selection Recommendations of Deep Groov...
The deep groove ball bearing is the workhorse of the electric motor industry, serving as a critical component in everything from small appliance motors to large industrial drives. Its versatility, rel...

2025-10-24

Deep Groove Ball Bearing Installation Direction and Pre...
Proper installation is the most critical factor determining the performance, accuracy, and service life of a deep groove ball bearing. Unlike tapered roller bearings, a common point of confusion surro...

2025-10-17

How to Judge the Service Life and Wear Degree of Deep G...
Deep groove ball bearings are among the most common and versatile bearing types, found in everything from small electric motors to heavy industrial machinery. Their reliability is critical, but like a...

تماس با ما

SUBMIT

مشاوره فنی

  • شرکت تحمل و انتقال شانگهای یینین

    راهکارهای سفارشی

  • شرکت تحمل و انتقال شانگهای یینین

    تحقیق و توسعه مداوم

  • شرکت تحمل و انتقال شانگهای یینین

    کنترل کیفیت

  • شرکت تحمل و انتقال شانگهای یینین

    پشتیبانی و آموزش فنی

  • شرکت تحمل و انتقال شانگهای یینین

    پاسخ سریع

در صورت داشتن هرگونه مشاوره یا بازخورد فنی، ما در اسرع وقت حرفه‌ای‌ترین پاسخ را به شما ارائه خواهیم داد!

تماس با ما