سری LFR یاطاقان غلتکی
سری LFR یاطاقان غلتکی
سری LFR یاطاقان غلتکی

سری LFR

یاتاقان های غلتکی Orbital Series LFR به طور ویژه برای بار و نیازهای با کارایی بالا طراحی شده اند و به طور گسترده در ماشین آلات مهندسی ، تجهیزات معدن ، تجهیزات سنگین و سایر زمینه ها مورد استفاده قرار می گیرند. این سری از یاتاقان ها از مواد ویژه و فرآیندهای تولید پیشرفته برای داشتن ظرفیت بار بسیار عالی و مقاومت در برابر سایش استفاده می کنند ، که می تواند به طور مؤثر اصطکاک و مصرف انرژی را کاهش داده و عمر خدمات را افزایش دهد. سری LFR دارای مشخصات و انواع مختلفی برای پاسخگویی به نیازهای محیط های مختلف برنامه است. علاوه بر این ، طراحی منحصر به فرد آن ، نصب و نگهداری را آسانتر می کند و باعث کاهش خرابی تجهیزات می شود. چه در دمای بالا ، چه در محیط های مرطوب و غبار آلود ، یاطاقان غلتکی مداری سری LFR عملکرد خوبی دارند ، و از عملکرد پایدار و عملکرد کارآمد تجهیزات اطمینان حاصل می کنند. $ $ $

ارسال درخواست

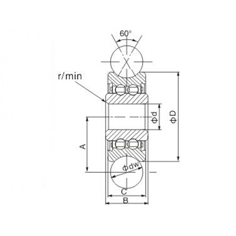
پارامترهای محصول

نوع چرخ وزن ابعاد (میلی متر) بار (KN)
آلمان ایتالیا مدل داخلی (g) دW د D جف شرح بوها RS CW گاو
LFR 50/5جدید4 N 4 5 16 7 5 18 6.9 0 2.02 0.93 8
LFR 50/5جدید5 5 5 17 7 5 20 6.9 0 2.02 0.93 8
LFR 50/5 n 6 5 17 7 5 21 6.9 0 2.02 0.93 8
LFR 50/8 n 6 8 24 11 7 28 12.3 0 3.67 2.28 25
LFR 50/8جدید8 N 8 8 24 11 7 29 12.3 0 3.67 2.28 25
LFR 50/4 NPP جدید جدید 3.5 5 4 13 6 7 8.04 0.2 1.05 0.85
LFR 50/5جدید4 KDD LFR50/5KDDجدید4 r 50/5جدید4 ZZ 7.5 4 5 16 7 8 9 0.2 1.2 0.86
LFR 50/5جدید4 NPP LFR50/5NPPجدید4 r 50/5جدید4 2RS 7.5 4 5 16 7 8 9 0.2 1.2 0.86
LFR 50/5 KDD LFR50/5KDD r 50/5جدید6 ZZ 8 6 5 17 7 8 10.5 0.2 1.27 0.82
LFR 50/5 NPP LFR50/5NPP r 50/5جدید6 2RS 8 6 5 17 7 8 10.5 0.2 1.27 0.82
LFR 50/8 KDD LFR50/8kdd r 50/8جدید6 ZZ 24 6 8 24 11 11 14 0.3 3.67 2.28
LFR 50/8 NPP LFR50/8npp r 50/8جدید6 2RS 24 6 8 24 11 11 14 0.3 3.67 2.28
LFR 50/8جدید8 KDD جدید جدید 24 8 8 24 11 11 14.8 0.3 3.67 2.28
LFR 50/8-8 NPP - - 24 8 8 24 11 11 14.8 0.3 3.67 2.28
LFR 30/8 KDD - - 31 10 8 27 11 13 16.7 0.3 3.67 2.28
LFR 30/8 NPP - - 31 10 8 27 11 13 16.7 0.3 3.67 2.28
LFR 5201 KDD LFR5201KDD R 5201-10 ZZ 68 10 12 35 16 16 20.7 0.3 8.5 5.1
LFR 5201 NPP LFR5201NPP R 5201-10 2RS 68 10 12 35 16 16 20.7 0.3 8.5 5.1
LFR 5301 KDD LFR5301KDD R 5301-10 ZZ 130 10 12 42 19 19 24 0.6 13 7.7
LFR 5301 NPP LFR5301NPP R 5301-10 2RS 130 10 12 42 19 19 24 0.6 13 7.7
LFR 5301-20 KDD - - 125 20 12 42 19 19 28 0.6 13 7.7
LFR 5301-20 NPP - - 125 20 12 42 19 19 28 0.6 13 7.7
LFR 5302 KDD LFR5302KDD R 5302-10 ZZ 163 10 15 47 19 19 26.7 1 16.2 9.2
LFR 5302 NPP LFR5302NPP R 5302-10 2RS 163 10 15 47 19 19 26.7 1 16.2 9.2
LFR 5201-12 KDD LFR5201-12KDD R 5201-12 ZZ 68 12 12 35 16 16 21.8 0.3 8.4 5
LFR 5201-12 NPP LFR5201-12NPP R 5201-12 2RS 68 12 12 35 16 16 21.8 0.3 8.4 5
LFR 5201-14 KDD LFR5201-14KDD R 5201-14 ZZ 107 14 12 40 18 20 24 0.3 8.9 5
LFR 5201-14 NPP LFR5201-14NPP R 5201-14 2RS 107 14 12 40 18 20 24 0.3 8.9 5
LFR 5201-10.40 KDD - - 115 10 12 40 18 20 22 0.3 8.9 5
LFR 5201-10.40 NPP - - 115 10 12 40 18 20 22 0.3 8.9 5
LFR 5204-16 KDD* LFR5204-16KDD R 5204-16 ZZ 195 16 20 52 21 23 31.5 0.6 16.8 9.5
LFR 5204-16 NPP* LFR5204-16NPP R 5204-16 2RS 195 16 20 52 21 23 31.5 0.6 16.8 9.5
LFR 5206-20 KDD* LFR5206-20KDD R 5206-20 ZZ 435 20 25 72 24 26 41 0.6 29.5 16.6
LFR 5206-20 NPP* LFR5206-20NPP R 5206-20 2RS 435 20 25 72 24 26 41 0.6 29.5 16.6
LFR 5206-25 KDD* LFR5206-25KDD R 5206-25 ZZ 425 25 25 72 24 26 43.5 0.6 29.2 16.4
LFR 5206-25 NPP* LFR5206-25npp R 5206-25 2RS 425 25 25 72 24 26 43.5 0.6 29.2 16.4
LFR 5207-30 KDD* LFR5207-30KDD R 5207-30 ZZ 660 30 30 80 27 29 51 1 38 20.8
LFR 5207-30 NPP* LFR5207-30npp R 5207-30 2RS 660 30 30 80 27 29 51 1 38 20.8
LFR 5208-40 KDD* LFR5208-40KDD R 5208-40 ZZ 1360 40 40 98 36 38 62.5 1 54.8 29
LFR 5208-40 NPP* LFR5208-40NPP R 5208-40 2RS 1360 40 40 98 36 38 62.5 1 54.8 29
LFR 5308-50 KDD* LFR5308-50KDD r 5308-50 ZZ 1400 50 40 ## $ $ $ 44 46 72.5 1.1 53 39.5
LFR 5308-50 NPP* LFR5308-50NPP r 5308-50 2RS 1400 50 40 ## 44 46 72.5 1.1 53 39.5

درباره Yinin

شرکت تحمل و انتقال شانگهای یینین تأسیس در سال ۲۰۰۹، با بیش از ۲۰ سال تجربه در زمینه بلبرینگ. ما چین سری LFR یاطاقان غلتکی تولیدکننده و ارائه دهنده سفارشی سری LFR یاطاقان غلتکی کارخانه. از سال ۱۹۹۹، ما به عنوان نماینده تولیدکنندگان بلبرینگ چینی فعالیت می‌کنیم و بلبرینگ‌های مختلفی را صادر می‌کنیم. امروزه، ما به یک گروه جامع بلبرینگ تبدیل شده‌ایم که فروش و تولید را با هم ادغام می‌کند.

کاربرد صنعتی

یاتاقان ها همچنین در ماشین آلات کشاورزی نقش بسیار مهمی دارند. آنها برای حمایت از قطعات چرخان ، کا...

یاتاقان ها به طور گسترده ای در اتومبیل استفاده می شوند. آنها قسمتهای اصلی پشتیبانی و چرخان بسیاری...

برای پشتیبانی ، ارتفاع ، زاویه ، مفصل و قطعات چرخان تجهیزات پزشکی استفاده می شود. $ $ $

برای پشتیبانی ، چرخش ، موتور و کمپرسور لوازم خانگی استفاده می شود. $ $ $

مورد استفاده برای چرخش و حرکت پشتیبانی و راهنمایی قطعات تجهیزات اتوماسیون $ $ $

در سازه های ساختمان ، از یاتاقان ها می توان برای اتصال اجزای ساختاری مختلف استفاده کرد. $ $ $

در فرآیند تولید مواد غذایی و نوشیدنی ها ، پمپ ها برای انتقال مایعات و کمپرسورها برای فشرده سازی گ...

یاتاقان ها در موتورهای هواپیما و فضاپیما برای پشتیبانی از اجزای چرخشی مانند توربین ها ، فن ها و ش...

اطلاعات اخبار

بیشتر بدانید

2025-10-30

Application and Selection Recommendations of Deep Groov...
The deep groove ball bearing is the workhorse of the electric motor industry, serving as a critical component in everything from small appliance motors to large industrial drives. Its versatility, rel...

2025-10-24

Deep Groove Ball Bearing Installation Direction and Pre...
Proper installation is the most critical factor determining the performance, accuracy, and service life of a deep groove ball bearing. Unlike tapered roller bearings, a common point of confusion surro...

2025-10-17

How to Judge the Service Life and Wear Degree of Deep G...
Deep groove ball bearings are among the most common and versatile bearing types, found in everything from small electric motors to heavy industrial machinery. Their reliability is critical, but like a...

تماس با ما

SUBMIT

مشاوره فنی

  • شرکت تحمل و انتقال شانگهای یینین

    راهکارهای سفارشی

  • شرکت تحمل و انتقال شانگهای یینین

    تحقیق و توسعه مداوم

  • شرکت تحمل و انتقال شانگهای یینین

    کنترل کیفیت

  • شرکت تحمل و انتقال شانگهای یینین

    پشتیبانی و آموزش فنی

  • شرکت تحمل و انتقال شانگهای یینین

    پاسخ سریع

در صورت داشتن هرگونه مشاوره یا بازخورد فنی، ما در اسرع وقت حرفه‌ای‌ترین پاسخ را به شما ارائه خواهیم داد!

تماس با ما