51400 سری بلبرینگ توپ
51400 سری بلبرینگ توپ
51400 سری بلبرینگ توپ

51400 سری

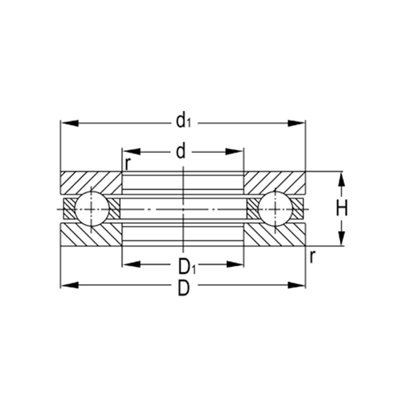
بلبرینگ توپ رانش سری 51400 بلبرینگ مخصوصی است که برای مقاومت در برابر بارهای رانش طراحی شده است. آنها معمولاً از دو حلقه (داخلی و بیرونی) و مجموعه ای از توپ ها تشکیل شده اند که پشتیبانی نورد بین حلقه های داخلی و بیرونی را ارائه می دهند. این سری از یاتاقان ها دارای ظرفیت بار بسیار عالی و مقاومت در برابر سایش هستند و برای برنامه های پر بار و کم سرعت مناسب است. 51400 یاطاقان توپ راننده سری به طور گسترده در خودرو ، تولید ماشین آلات ، حمل و نقل هوایی و سایر صنایع استفاده می شود و می تواند به طور موثری اصطکاک را کاهش داده و راندمان عملیاتی تجهیزات را بهبود بخشد. علاوه بر این ، این نوع یاتاقان برای نصب و نگهداری نسبتاً ساده است ، می تواند عملکرد خوبی را در دماهای بالا و محیط های خورنده حفظ کند و یک مؤلفه ضروری در انواع مختلف تجهیزات مکانیکی است. با انتخاب مدل ها و مشخصات مناسب ، کاربران می توانند نیازهای مختلف برنامه را برآورده کرده و از ثبات و قابلیت اطمینان تجهیزات اطمینان حاصل کنند. $ $ $

ارسال درخواست

پارامترهای محصول

تعیین ابعاد اصلی (میلی متر) رتبه بندی های اساسی بار (KN) سرعت محدود (RPM) وزن
د د حرف پویا (CR) استاتیک (COR) چرب کردن روغن (کیلوگرم) $ $ $
51405 25 60 24 55.5 89.2 2200 3400 0.31
51406 30 70 28 72.5 125 1900 3000 0.51
51407 35 80 32 86.8 155 1700 2600 0.76
51408 40 90 36 112 205 1500 2200 1.06
51409 45 100 39 140 262 1400 2000 1.41
51410 50 110 43 160 302 1300 1900 1.86
51411 55 120 48 182 355 1100 1700 2.51
51412 60 130 51 200 395 1000 1600 3.08
51413 65 140 56 215 448 900 1400 3.91
51414 70 150 60 255 560 850 1300 4.85
51415 75 160 65 268 615 800 1200 6.08
51416 80 170 68 292 692 750 1100 7.12
51417 85 180 72 318 782 700 1000 8.28

درباره Yinin

شرکت تحمل و انتقال شانگهای یینین تأسیس در سال ۲۰۰۹، با بیش از ۲۰ سال تجربه در زمینه بلبرینگ. ما چین 51400 سری بلبرینگ توپ تولیدکننده و ارائه دهنده سفارشی 51400 سری بلبرینگ توپ کارخانه. از سال ۱۹۹۹، ما به عنوان نماینده تولیدکنندگان بلبرینگ چینی فعالیت می‌کنیم و بلبرینگ‌های مختلفی را صادر می‌کنیم. امروزه، ما به یک گروه جامع بلبرینگ تبدیل شده‌ایم که فروش و تولید را با هم ادغام می‌کند.

کاربرد صنعتی

یاتاقان ها همچنین در ماشین آلات کشاورزی نقش بسیار مهمی دارند. آنها برای حمایت از قطعات چرخان ، کا...

یاتاقان ها به طور گسترده ای در اتومبیل استفاده می شوند. آنها قسمتهای اصلی پشتیبانی و چرخان بسیاری...

برای پشتیبانی ، ارتفاع ، زاویه ، مفصل و قطعات چرخان تجهیزات پزشکی استفاده می شود. $ $ $

برای پشتیبانی ، چرخش ، موتور و کمپرسور لوازم خانگی استفاده می شود. $ $ $

مورد استفاده برای چرخش و حرکت پشتیبانی و راهنمایی قطعات تجهیزات اتوماسیون $ $ $

در سازه های ساختمان ، از یاتاقان ها می توان برای اتصال اجزای ساختاری مختلف استفاده کرد. $ $ $

در فرآیند تولید مواد غذایی و نوشیدنی ها ، پمپ ها برای انتقال مایعات و کمپرسورها برای فشرده سازی گ...

یاتاقان ها در موتورهای هواپیما و فضاپیما برای پشتیبانی از اجزای چرخشی مانند توربین ها ، فن ها و ش...

اطلاعات اخبار

بیشتر بدانید

2025-10-30

Application and Selection Recommendations of Deep Groov...
The deep groove ball bearing is the workhorse of the electric motor industry, serving as a critical component in everything from small appliance motors to large industrial drives. Its versatility, rel...

2025-10-24

Deep Groove Ball Bearing Installation Direction and Pre...
Proper installation is the most critical factor determining the performance, accuracy, and service life of a deep groove ball bearing. Unlike tapered roller bearings, a common point of confusion surro...

2025-10-17

How to Judge the Service Life and Wear Degree of Deep G...
Deep groove ball bearings are among the most common and versatile bearing types, found in everything from small electric motors to heavy industrial machinery. Their reliability is critical, but like a...

تماس با ما

SUBMIT

مشاوره فنی

  • شرکت تحمل و انتقال شانگهای یینین

    راهکارهای سفارشی

  • شرکت تحمل و انتقال شانگهای یینین

    تحقیق و توسعه مداوم

  • شرکت تحمل و انتقال شانگهای یینین

    کنترل کیفیت

  • شرکت تحمل و انتقال شانگهای یینین

    پشتیبانی و آموزش فنی

  • شرکت تحمل و انتقال شانگهای یینین

    پاسخ سریع

در صورت داشتن هرگونه مشاوره یا بازخورد فنی، ما در اسرع وقت حرفه‌ای‌ترین پاسخ را به شما ارائه خواهیم داد!

تماس با ما