خانه / محصولات / بلبرینگ غلتکی / بلبرینگ غلتکی / حلقه بیرونی با سری فلنج
حلقه بیرونی با سری فلنج بلبرینگ غلتکی
حلقه بیرونی با سری فلنج بلبرینگ غلتکی
حلقه بیرونی با سری فلنج بلبرینگ غلتکی

حلقه بیرونی با سری فلنج

یاتاقان های غلتکی Tapered با حلقه های بیرونی فلنج ، یاتاقان های نورد بسیار کارآمد هستند که برای مقاومت در برابر بارهای محوری و شعاعی طراحی شده اند. حلقه بیرونی آن مجهز به فلنج است که می تواند به طور موثر ثابت و قرار بگیرد و باعث افزایش پایداری بلبرینگ در بارهای زیاد و محیط های کار سخت می شود. ساختار غلتکی مخروطی باعث می شود که در برابر بارهای شعاعی بزرگ و همچنین بارهای محوری مقاومت کند. برای ماشین آلات سنگین ، اتومبیل ، حمل و نقل هوایی و سایر زمینه ها مناسب است. طراحی زاویه تماس این بلبرینگ ضمن کاهش اصطکاک و تولید گرما ، ظرفیت بار و عمر خدمات را افزایش می دهد. با روغن کاری و تعمیر و نگهداری مناسب ، یاتاقان های غلتکی مخروطی با فلنج روی حلقه بیرونی می توانند عملکرد صاف و کارآیی کار قابل اعتماد را فراهم کنند و یک مؤلفه اصلی ضروری در تجهیزات مکانیکی مدرن است. $ $ $

ارسال درخواست

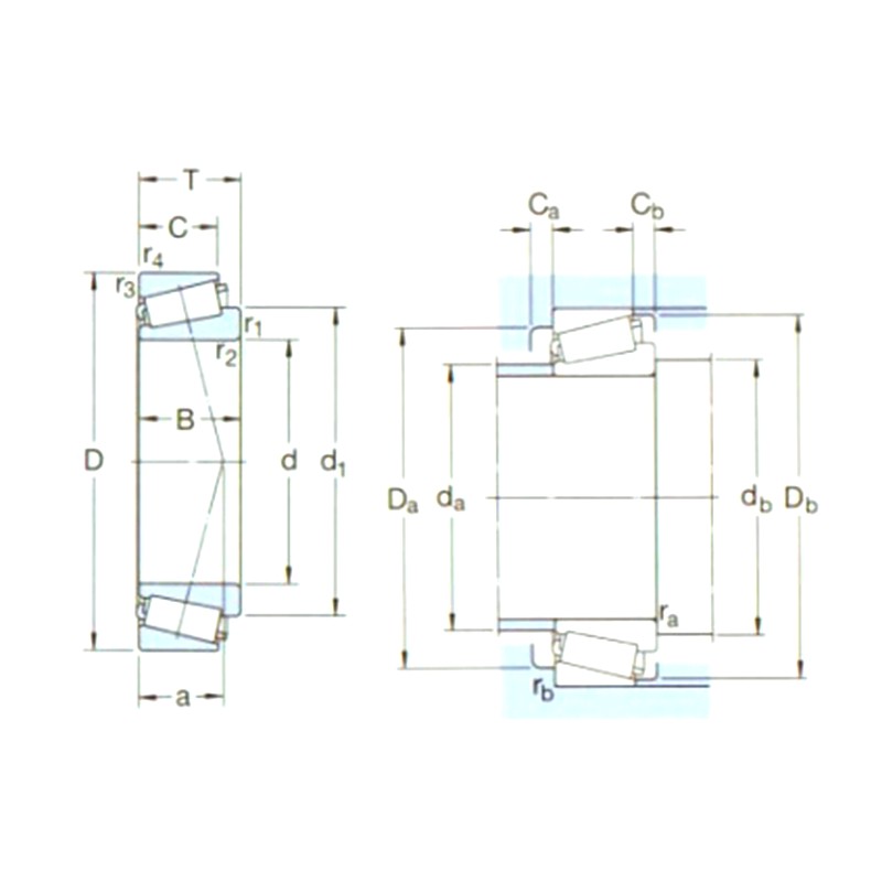
پارامترهای محصول

تعیین ابعاد اصلی (میلی متر رتبه بندی بار اساسی (KN پید رتبه بندی سرعت (RPM وزن (کیلوگرم) ابعاد (میلی متر ابعاد کمبود و فیله (میلی متر ارزش
د1 D شرح Dحرفجف (CR) STC (COR) رتبه بندی سرعت محدود کردن سرعت د D1 D1 شرح C ج 1 R1،2 (دقیقه) R3،4 (دقیقه) بوها دا (مکس) DB (دقیقه) RA (مکس) اشمیه Y یوم
32008XR/QVA621 40 68 19 60 71 7،65 7500 9500 0،27 40 54،2 72 19 14،5 3،5 1 1 15 46 46 1 0،37 1،6 0،9
30208RJ2/Q 40 80 19،75 71 68 7،65 7000 8500 0،42 40 57،5 85 18 16 4 1،5 1،5 16 49 47 1 0،37 1،6 0،9
33209r/q 45 85 32 108 143 16،3 5300 7500 0،85 45 65،2 90 32 25 5 1،5 1،5 22 52 52 1 0،4 1،5 0،8
32309BRJ2/QCL7C 45 100 38،25 156 176 20 5000 6700 15050 45 74،8 106 36 30 7 2 1،5 30 55 54 1،5 0،54 1،1 0،6
32311BRJ2/QCL7C 55 120 45،5 216 260 30 4300 5600 2،50 55 90،5 127 43 35 8 2،5 2 36 67 65 2 0،54 1،1 0،6
33113r/q 65 110 34 142 208 24 4300 5600 1،30 65 87،9 116 34 26،5 5،5 1،5 1،5 26 74 72 1 0،4 1،5 0،8
30313RJ2 65 140 36 194 228 27،5 3600 4800 2،40 65 98،3 147 33 28 6 3 2،5 28 84 77 2 0.35 1،7 0،9
30313RJ2 65 140 36 194 228 27،5 3600 4800 2،40 65 98،3 147 33 28 6 3 2،5 28 84 77 2 0.35 1،7 0،9 $ $ $

درباره Yinin

شرکت تحمل و انتقال شانگهای یینین تأسیس در سال ۲۰۰۹، با بیش از ۲۰ سال تجربه در زمینه بلبرینگ. ما چین حلقه بیرونی با سری فلنج بلبرینگ غلتکی تولیدکننده و ارائه دهنده سفارشی حلقه بیرونی با سری فلنج بلبرینگ غلتکی کارخانه. از سال ۱۹۹۹، ما به عنوان نماینده تولیدکنندگان بلبرینگ چینی فعالیت می‌کنیم و بلبرینگ‌های مختلفی را صادر می‌کنیم. امروزه، ما به یک گروه جامع بلبرینگ تبدیل شده‌ایم که فروش و تولید را با هم ادغام می‌کند.

کاربرد صنعتی

یاتاقان ها همچنین در ماشین آلات کشاورزی نقش بسیار مهمی دارند. آنها برای حمایت از قطعات چرخان ، کا...

یاتاقان ها به طور گسترده ای در اتومبیل استفاده می شوند. آنها قسمتهای اصلی پشتیبانی و چرخان بسیاری...

برای پشتیبانی ، ارتفاع ، زاویه ، مفصل و قطعات چرخان تجهیزات پزشکی استفاده می شود. $ $ $

برای پشتیبانی ، چرخش ، موتور و کمپرسور لوازم خانگی استفاده می شود. $ $ $

مورد استفاده برای چرخش و حرکت پشتیبانی و راهنمایی قطعات تجهیزات اتوماسیون $ $ $

در سازه های ساختمان ، از یاتاقان ها می توان برای اتصال اجزای ساختاری مختلف استفاده کرد. $ $ $

در فرآیند تولید مواد غذایی و نوشیدنی ها ، پمپ ها برای انتقال مایعات و کمپرسورها برای فشرده سازی گ...

یاتاقان ها در موتورهای هواپیما و فضاپیما برای پشتیبانی از اجزای چرخشی مانند توربین ها ، فن ها و ش...

اطلاعات اخبار

بیشتر بدانید

2025-10-30

Application and Selection Recommendations of Deep Groov...
The deep groove ball bearing is the workhorse of the electric motor industry, serving as a critical component in everything from small appliance motors to large industrial drives. Its versatility, rel...

2025-10-24

Deep Groove Ball Bearing Installation Direction and Pre...
Proper installation is the most critical factor determining the performance, accuracy, and service life of a deep groove ball bearing. Unlike tapered roller bearings, a common point of confusion surro...

2025-10-17

How to Judge the Service Life and Wear Degree of Deep G...
Deep groove ball bearings are among the most common and versatile bearing types, found in everything from small electric motors to heavy industrial machinery. Their reliability is critical, but like a...

تماس با ما

SUBMIT

مشاوره فنی

  • شرکت تحمل و انتقال شانگهای یینین

    راهکارهای سفارشی

  • شرکت تحمل و انتقال شانگهای یینین

    تحقیق و توسعه مداوم

  • شرکت تحمل و انتقال شانگهای یینین

    کنترل کیفیت

  • شرکت تحمل و انتقال شانگهای یینین

    پشتیبانی و آموزش فنی

  • شرکت تحمل و انتقال شانگهای یینین

    پاسخ سریع

در صورت داشتن هرگونه مشاوره یا بازخورد فنی، ما در اسرع وقت حرفه‌ای‌ترین پاسخ را به شما ارائه خواهیم داد!

تماس با ما