سری 33100 بلبرینگ غلتکی
سری 33100 بلبرینگ غلتکی
سری 33100 بلبرینگ غلتکی

سری 33100

یاتاقان غلتکی سری 33100 یک یاتاقان با کارایی بالا است که به طور گسترده در تجهیزات مکانیکی مورد استفاده قرار می گیرد و از ظرفیت بار بسیار عالی و مقاومت در برابر سایش برخوردار است. این نوع بلبرینگ یک طرح غلتکی مخروطی را اتخاذ می کند ، که می تواند بار را به طور موثری پراکنده و سازگار با نیروهای شعاعی و محوری بزرگ کند. حلقه های داخلی و بیرونی و غلطک های یاتاقان سری 33100 با دقت ماشینکاری شده برای اطمینان از تناسب مناسب و از دست دادن اصطکاک کم ، افزایش عمر خدمات. علاوه بر این ، طراحی مهر و موم شده بلبرینگ از نفوذ گرد و غبار و ناخالصی ها جلوگیری می کند و از قابلیت اطمینان در محیط های سخت اطمینان می یابد. این ماده معمولاً در صنایع اتومبیل ، معدن ، متالورژی و سایر صنایع مورد استفاده قرار می گیرد و به ویژه برای شرایط کار سنگین و با درجه حرارت بالا مناسب است. با روغن کاری و تعمیر و نگهداری مناسب ، 33100 یاطاقان غلتکی Tapered می توانند عملکرد عالی و عملکرد پایدار را ارائه دهند ، برآورده کردن نیازهای بالای یاتاقان در صنعت مدرن. $ $ $

ارسال درخواست

پارامترهای محصول

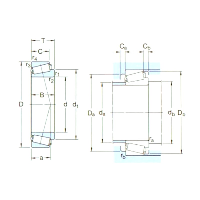
تعیین ابعاد اصلی (میلی متر رتبه بندی بار اساسی (KN پید رتبه بندی سرعت (RPM وزن (کیلوگرم) ISO335 ابعاد (میلی متر ابعاد کمبود و فیله (میلی متر ارزش
د1 D بشور Dحرفجف (CR) STC (COR) رتبه بندی سرعت محدود کردن سرعت ابعاد (AبشورMA) د D1 B C R1،2 (دقیقه) R3،4 (دقیقه) بوها دا (مکس) DB (دقیقه) DA (حداقل) دا (مکس) DB (دقیقه) CA (دقیقه) CB (دقیقه) RA (مکس) RB (حداکثر) اشمیه Y یوم
33108/q 40 75 26 91،5 104 11،4 7000 9000 0،51 2 درجه 40 57،5 26 20،5 1،5 1،5 18 47 47 65 68 71 4 5،5 1،5 1،5 0.35 1،7 0،9
33109/q 45 80 26 96،5 114 12،9 6700 8000 0،56 3 درجه 45 62،7 26 20،5 1،5 1،5 19 52 52 69 73 77 4 5،5 1،5 1،5 0،37 1،6 0،9
33110/q 50 85 26 100 122 13،4 6000 7500 0،59 3 درجه 50 67،9 26 20 1،5 1،5 20 57 57 74 78 82 4 6 1،5 1،5 0،4 1،5 0،8
33111/q 55 95 30 110 156 17،6 5000 6700 0،86 3 درجه 55 75،1 30 23 1،5 1،5 22 63 62 83 88 91 5 7 1،5 1،5 0،37 1،6 0،9
33112/q 60 100 30 134 170 19.6 5300 6300 0،92 3 درجه 60 80،4 30 23 1،5 1،5 23 67 67 88 93 96 5 7 1،5 1،5 0،4 1،5 0،8
33113/q 65 110 34 142 208 24 4300 5600 1،30 3DE 65 87،9 34 26،5 1،5 1،5 26 74 72 96 103 106 6 7،5 1،5 1،5 0،4 1،5 0،8
33114/س 70 120 37 172 250 30 4000 5300 170 3DE 70 94،8 37 29 2 1،5 28 80 79 104 112 115 6 8 2 1،5 0،37 1،6 0،9
33115/q 75 125 37 176 265 31،5 3800 5000 180 3DE 75 100 37 29 2 1،5 29 84 84 109 117 120 6 8 2 1،5 0،4 1،5 0،8
33116/س 80 130 37 179 280 32،5 3600 4800 190 3DE 80 105 37 29 2 1،5 30 89 89 114 122 126 6 8 2 1،5 0،43 1،4 0،8
33116tn9/q 80 130 37 179 280 32،5 3600 4800 190 3DE 80 105 37 29 2 1،5 30 89 89 114 122 126 6 8 2 1،5 0،43 1،4 0،8
33117/س 85 140 41 220 340 38 3400 4500 2،45 3DE 85 112 41 32 2،5 2 32 95 95 122 130 135 7 9 2 2 0،4 1،5 0،8
33118/س 90 150 45 251 390 43 3000 4300 3،10 3DE 90 120 45 35 2،5 2 35 101 101 130 140 144 7 10 2 2 0،4 1،5 0،8
33118tn9/q 90 150 45 251 390 43 3000 4300 3،10 3DE 90 120 45 35 2،5 2 35 101 101 130 140 144 7 10 2 2 0،4 1،5 0،8
33122 110 180 56 369 630 67 2600 3400 5،55 3EE 110 146 56 43 2،5 2 44 121 121 155 170 174 9 13 2 2 0،43 1،4 0،8 $ $ $

درباره Yinin

شرکت تحمل و انتقال شانگهای یینین تأسیس در سال ۲۰۰۹، با بیش از ۲۰ سال تجربه در زمینه بلبرینگ. ما چین سری 33100 بلبرینگ غلتکی تولیدکننده و ارائه دهنده سفارشی سری 33100 بلبرینگ غلتکی کارخانه. از سال ۱۹۹۹، ما به عنوان نماینده تولیدکنندگان بلبرینگ چینی فعالیت می‌کنیم و بلبرینگ‌های مختلفی را صادر می‌کنیم. امروزه، ما به یک گروه جامع بلبرینگ تبدیل شده‌ایم که فروش و تولید را با هم ادغام می‌کند.

کاربرد صنعتی

یاتاقان ها همچنین در ماشین آلات کشاورزی نقش بسیار مهمی دارند. آنها برای حمایت از قطعات چرخان ، کا...

یاتاقان ها به طور گسترده ای در اتومبیل استفاده می شوند. آنها قسمتهای اصلی پشتیبانی و چرخان بسیاری...

برای پشتیبانی ، ارتفاع ، زاویه ، مفصل و قطعات چرخان تجهیزات پزشکی استفاده می شود. $ $ $

برای پشتیبانی ، چرخش ، موتور و کمپرسور لوازم خانگی استفاده می شود. $ $ $

مورد استفاده برای چرخش و حرکت پشتیبانی و راهنمایی قطعات تجهیزات اتوماسیون $ $ $

در سازه های ساختمان ، از یاتاقان ها می توان برای اتصال اجزای ساختاری مختلف استفاده کرد. $ $ $

در فرآیند تولید مواد غذایی و نوشیدنی ها ، پمپ ها برای انتقال مایعات و کمپرسورها برای فشرده سازی گ...

یاتاقان ها در موتورهای هواپیما و فضاپیما برای پشتیبانی از اجزای چرخشی مانند توربین ها ، فن ها و ش...

اطلاعات اخبار

بیشتر بدانید

2025-10-30

Application and Selection Recommendations of Deep Groov...
The deep groove ball bearing is the workhorse of the electric motor industry, serving as a critical component in everything from small appliance motors to large industrial drives. Its versatility, rel...

2025-10-24

Deep Groove Ball Bearing Installation Direction and Pre...
Proper installation is the most critical factor determining the performance, accuracy, and service life of a deep groove ball bearing. Unlike tapered roller bearings, a common point of confusion surro...

2025-10-17

How to Judge the Service Life and Wear Degree of Deep G...
Deep groove ball bearings are among the most common and versatile bearing types, found in everything from small electric motors to heavy industrial machinery. Their reliability is critical, but like a...

تماس با ما

SUBMIT

مشاوره فنی

  • شرکت تحمل و انتقال شانگهای یینین

    راهکارهای سفارشی

  • شرکت تحمل و انتقال شانگهای یینین

    تحقیق و توسعه مداوم

  • شرکت تحمل و انتقال شانگهای یینین

    کنترل کیفیت

  • شرکت تحمل و انتقال شانگهای یینین

    پشتیبانی و آموزش فنی

  • شرکت تحمل و انتقال شانگهای یینین

    پاسخ سریع

در صورت داشتن هرگونه مشاوره یا بازخورد فنی، ما در اسرع وقت حرفه‌ای‌ترین پاسخ را به شما ارائه خواهیم داد!

تماس با ما