سری 32300 بلبرینگ غلتکی
سری 32300 بلبرینگ غلتکی
سری 32300 بلبرینگ غلتکی

سری 32300

را غلتک مخروطی سری 32300 یاتاقان های قابل جداسازی با ظرفیت بالا هستند که برای مدیریت بارهای شعاعی و محوری قابل توجه به طور همزمان طراحی شده اند. این سری دارای یک هندسه داخلی شیب دار است که در آن زوایای تماس مسیر ورودی داخلی (مخروط)، راهرو بیرونی (کاپ)، و غلتک های مخروطی در یک راس مشترک روی محور یاتاقان همگرا می شوند. این طراحی خاص حرکت غلتشی واقعی و اصطکاک کم را در حین کار تضمین می کند. سری 32300 که از فولاد کروم با خلوص بالا ساخته شده است با سطح مقطع بزرگتر و افزایش قطر غلتک در مقایسه با سری استاندارد مشخص می شود و ظرفیت حمل بار و استحکام ساختاری را افزایش می دهد. این یاتاقان ها معمولاً به صورت جفت برای دستیابی به محدودیت محوری دو طرفه نصب می شوند که آنها را به اجزای اساسی در انتقال قدرت مکانیکی سنگین و مجموعه های محور خودرو تبدیل می کند.

ارسال درخواست

مشخصات فنی و مشخصات عملکرد: غلتک مخروطی سری 32300

مزایای فنی اصلی

  • مدیریت بار ترکیبی: مهندسی شده برای پشتیبانی از نیروی رانش و شعاعی با قدر بالا از طریق بهینه سازی شده زوایای تماس مخروطی .
  • اجزای قابل تفکیک: مجموعه فنجان و مخروط (غلتک ها و قفس) به طور مستقل قابل نصب هستند و تعمیر و نگهداری آسان تر را تسهیل می کنند. تنظیم دقیق فاصله .
  • پایداری ابعادی بالا: فرآیندهای عملیات حرارتی تخصصی تضمین می کند که یاتاقان آن را حفظ می کند تلورانس های هندسی تحت شرایط نوسان حرارتی
  • اصطکاک عملیاتی کم: مسیرهای زمینی دقیق، ناهمواری سطح را به حداقل می‌رساند، گشتاور و ایجاد گرما را کاهش می‌دهد. چرخش با سرعت بالا .

مشخصات فنی

مشخصات مواد فولاد کروم پرکربن GCr15
مواد قفس فولاد فشرده / برنج ماشینکاری شده (وابسته به کاربرد)
درجه دقیق P0 (عادی)، P6، P5
نوع بارگیری شعاعی بالا محوری تک جهتی
محدوده دما -30 تا 120 درجه سانتی گراد (روغنکاری استاندارد)

سناریوهای کاربردی اولیه

  • پیشرانه های خودرو: توپی چرخ کامیون های سنگین، دیفرانسیل ها ، و سیستم های انتقال.
  • ماشین آلات صنعتی: اجزای اولیه در واحدهای کاهش گیربکس ، کارخانه های نورد و تجهیزات معدن.
  • تجهیزات ساختمانی: ادغام شده در مجموعه های درایو نهایی بیل مکانیکی و بولدوزرهایی که نیاز دارند مقاومت در برابر ضربه .
  • مهندسی کشاورزی: نقاط محوری و محورهای محرک با استرس بالا در تراکتورها و ماشین آلات برداشت.

پروتکل های نصب و نگهداری

ذخیره سازی و جابجایی

یاتاقان ها باید در یک محیط تمیز و خشک با a دمای ثابت برای جلوگیری از تراکم رطوبت پوشش چربی محافظ اصلی باید دست نخورده باقی بماند. را حذف نکنید بسته بندی ضد زنگ تا لحظه نصب برای جلوگیری از انباشتن عمودی بیش از ارتفاعات مشخص شده خودداری کنید تغییر شکل بیضوی از حلقه ها

اقدامات احتیاطی استفاده

  • تنظیم فاصله محوری: در طول مونتاژ، پایان یا پیش بارگذاری باید دقیقاً مطابق با مشخصات سازنده تنظیم شود تا از خستگی زودرس یا گرمای بیش از حد جلوگیری شود.
  • کنترل آلودگی: اطمینان حاصل کنید که محفظه و شفت عاری از ذرات ساینده هستند. استفاده کنند مهر و موم های سازگار برای حفظ خلوص روان کننده در محیط های بیرونی یا گرد و غبار.
  • انتخاب روغن کاری: استفاده کنید افزودنی های فشار شدید (EP). در گریس‌ها برای کاربردهایی که شامل بارهای ضربه‌ای سنگین برای حفظ یک لایه روغن کافی بین غلتک‌ها و مسیرهای مسابقه است.
  • تأیید تراز: اطمینان حاصل کنید تمرکز شفت به مسکن برای جلوگیری از بارگذاری لبه بر روی غلتک های مخروطی در محدوده های مشخص شده است.

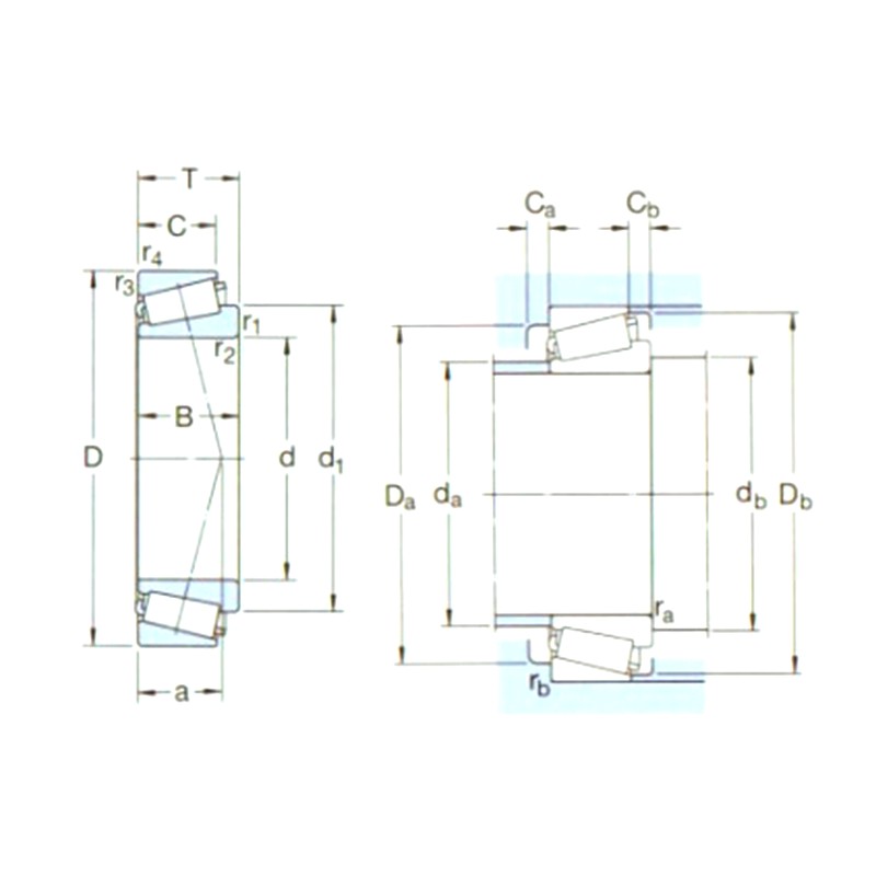
پارامترهای محصول

تعیین ابعاد اصلی (mm) رتبه بندی بار پایه (KN) Pu رتبه بندی سرعت (دور در دقیقه) وزن (کیلوگرم) ISO335 ابعاد (mm ابعاد تکیه گاه و فیله (میلی متر) ارزش
د1 D ب dyc(سیr) stc (Cor) رتبه بندی سرعت محدود کردن سرعت ابعاد (AبMA) d د1~ ب C r1,2 (دقیقه) r3,4 (دقیقه) الف دا (حداکثر) دسی بل (دقیقه) دا (دقیقه) دا (حداکثر) دسی بل (دقیقه) Ca (دقیقه) Cb (دقیقه) ra (حداکثر) rb (حداکثر) ه Y یو
32303J2/Q 17 47 20,25 40 33،5 3,65 12000 16000 0,17 2FD 17 30،7 19 16 1 1 12 24 23 39 41 43 3 4 1 1 0,28 2،1 1،1
32304J2/Q 20 52 22،25 51 45،5 5 12000 14000 0,23 2FD 20 34،5 21 18 1,5 1,5 14 27 27 43 45 47 3 4 1,5 1,5 0,3 2 1،1
32305J2 25 62 25،25 60،5 63 7،1 8000 12000 0,36 2FD 25 41،7 24 20 1,5 1,5 15 33 32 52 55 57 3 5 1,5 1,5 0,3 2 1،1
32306J2/Q 30 72 28,75 88 85 9,65 7500 10000 0,55 2FD 30 48،7 27 23 1,5 1,5 18 39 37 59 65 66 3 5،5 1,5 1,5 0,31 1,9 1،1
32307J2/Q 35 80 32,75 95,2 106 12،2 6700 9000 0,73 2FE 35 54,8 31 25 2 1,5 20 44 44 66 71 74 4 7،5 2 1,5 0,31 1,9 1،1
32307BJ2/Q 35 80 32,75 93,5 114 13،2 6300 8500 0,80 5FE 35 59،3 31 25 2 1,5 24 42 44 61 71 76 4 7،5 2 1,5 0,54 1،1 0,6
32307/37BJ2/Q 37 80 32,75 93,5 114 13،2 6300 8500 0,85 - 37 54,8 31 25 2 1,5 20 44 44 66 71 74 4 7،5 2 1,5 0,54 1،1 0,6
32308J2/Q 40 90 35،25 117 140 16 5300 8000 1,00 2FD 40 62،9 33 27 2 1,5 23 51 49 73 81 82 3 8 2 1,5 0,35 1،7 0.9
32309J2/Q 45 100 38,25 140 170 20،4 4800 7000 1,35 2FD 45 70،4 36 30 2 1,5 25 57 53 82 91 93 4 8 2 1,5 0,35 1،7 0.9
32309BJ2/QCL7C 45 100 38,25 156 176 20 5000 6700 1,45 5FD 45 74،8 36 30 2 1,5 30 55 53 76 91 94 5 8 2 1,5 0,54 1،1 0,6
32310J2/Q 50 110 42،25 172 212 24 4300 6300 1,80 2FD 50 77,7 40 33 2،5 2 27 63 60 90 100 102 5 9 2 2 0,35 1،7 0.9
32310TN9 50 110 42،25 172 212 24 4300 6300 1,80 2FD 50 77,7 40 33 2،5 2 27 63 60 90 100 102 5 9 2 2 0,35 1،7 0.9
32310BJ2/QCL7C 50 110 42،25 183 216 24،5 4500 6000 1,85 5FD 50 82,9 40 33 2،5 2 34 62 60 83 100 103 5 9 2 2 0,54 1،1 0,6
32311J2 55 120 45،5 198 250 28،5 4000 5600 2,30 2FD 55 84،6 43 35 2،5 2 29 68 65 99 112 111 5 10،5 2 2 0,35 1،7 0.9
32311BJ2/QCL7C 55 120 45،5 216 260 30 4300 5600 2،50 5FD 55 90,5 43 35 2،5 2 36 67 65 91 112 112 5 10،5 2 2 0,54 1،1 0,6
32312J2/Q 60 130 48,5 229 290 34 3600 5300 2,85 2FD 60 91،7 46 37 3 2،5 31 74 72 107 118 120 6 11،5 2،5 2 0,35 1،7 0.9
32312BJ2/QCL7C 60 130 48,5 255 305 35،5 3800 5000 2,80 5FD 60 98,1 46 37 3 2،5 38 73 72 99 118 122 6 11،5 2،5 2 0,54 1،1 0,6
32313J2/Q 65 140 51 264 335 40 3400 4800 3,45 2GD 65 99,2 48 39 3 2،5 33 80 77 117 128 130 6 12 2،5 2 0,35 1،7 0.9
32313BJ2/QU4CL7CVQ267 65 140 51 285 345 40،5 3600 4800 3,35 5GD 65 105 48 39 3 2،5 41 79 77 107 128 131 6 12 2،5 2 0,54 1،1 0,6
32314J2/Q 70 150 54 297 380 45 3200 4500 4,30 2GD 70 106 51 42 3 2،5 36 86 82 125 138 140 6 12 2،5 2 0,35 1،7 0.9
32314BJ2/QCL7C 70 150 54 325 400 46،5 3400 4300 4,25 5GD 70 113 51 42 3 2،5 44 85 82 115 138 141 7 12 2،5 2 0,54 1،1 0,6
32315J2 75 160 58 336 440 51 3000 4300 5,20 2GD 75 113 55 45 3 2،5 38 92 87 133 148 149 7 13 2،5 2 0,35 1،7 0.9
32315BJ2/QCL7C 75 160 58 380 475 55 3200 4000 5،55 5GD 75 120 55 45 3 2،5 46 90 87 124 148 151 7 13 2،5 2 0,54 1،1 0,6
32316J2 80 170 61،5 380 500 57 3000 4300 6,20 2GD 80 120 58 48 3 2،5 41 98 92 142 158 159 7 13،5 2،5 2 0,35 1،7 0.9
32317J2 85 180 63،5 402 530 60 2800 4000 6,85 2GD 85 126 60 49 4 3 42 103 99 150 166 167 7 14،5 3 2،5 0,35 1،7 0.9
32317BJ2 85 180 63،5 391 560 62 2800 4000 7،50 5GD 85 135 60 49 4 3 52 102 99 138 166 169 7 14،5 3 2،5 0,54 1،1 0,6
32318J2 90 190 67،5 457 610 67 2600 4000 8,40 2GD 90 133 64 53 4 3 44 109 105 157 176 177 7 14،5 3 2،5 0,35 1،7 0.9
32319J2 95 200 71,5 501 670 72 2400 3400 11,0 2GD 95 141 67 55 4 3 47 115 110 166 186 186 8 16،5 3 2،5 0,35 1،7 0.9
32320J2 100 215 77,5 572 780 83 2200 3000 12،5 2GD 100 151 73 60 4 3 51 123 115 177 201 200 8 17،5 3 2،5 0,35 1،7 0.9
32321J2 105 225 81,5 605 815 85 2000 3000 14،5 2GD 105 158 77 63 4 3 53 129 120 185 211 209 9 18،5 3 2،5 0,35 1،7 0.9
32322 110 240 84,5 627 830 86,5 1900 2800 17,0 2GD 110 168 80 65 4 3 55 137 125 198 226 222 9 19،5 3 2،5 0,35 1،7 0.9
32324J2 120 260 90,5 792 1120 110 1800 2600 21،5 2GD 120 181 86 69 4 3 60 148 135 213 245 239 9 21،5 3 2،5 0,35 1،7 0.9

درباره Yinin

شرکت تحمل و انتقال شانگهای یینین تأسیس در سال ۲۰۰۹، با بیش از ۲۰ سال تجربه در زمینه بلبرینگ. ما چین سری 32300 بلبرینگ غلتکی تولیدکننده و ارائه دهنده سفارشی سری 32300 بلبرینگ غلتکی کارخانه. از سال ۱۹۹۹، ما به عنوان نماینده تولیدکنندگان بلبرینگ چینی فعالیت می‌کنیم و بلبرینگ‌های مختلفی را صادر می‌کنیم. امروزه، ما به یک گروه جامع بلبرینگ تبدیل شده‌ایم که فروش و تولید را با هم ادغام می‌کند.

کاربرد صنعتی

یاتاقان ها همچنین در ماشین آلات کشاورزی نقش بسیار مهمی دارند. آنها برای حمایت از قطعات چرخان ، کا...

یاتاقان ها به طور گسترده ای در اتومبیل استفاده می شوند. آنها قسمتهای اصلی پشتیبانی و چرخان بسیاری...

برای پشتیبانی ، ارتفاع ، زاویه ، مفصل و قطعات چرخان تجهیزات پزشکی استفاده می شود. $ $ $

برای پشتیبانی ، چرخش ، موتور و کمپرسور لوازم خانگی استفاده می شود. $ $ $

مورد استفاده برای چرخش و حرکت پشتیبانی و راهنمایی قطعات تجهیزات اتوماسیون $ $ $

در سازه های ساختمان ، از یاتاقان ها می توان برای اتصال اجزای ساختاری مختلف استفاده کرد. $ $ $

در فرآیند تولید مواد غذایی و نوشیدنی ها ، پمپ ها برای انتقال مایعات و کمپرسورها برای فشرده سازی گ...

یاتاقان ها در موتورهای هواپیما و فضاپیما برای پشتیبانی از اجزای چرخشی مانند توربین ها ، فن ها و ش...

اطلاعات اخبار

بیشتر بدانید

2026-04-30

بلبرینگ های فولادی ضد زنگ: راهنمای مقایسه زنگ، ماشینکار...
بلبرینگ فولاد ضد زنگ از پرمصرف ترین مواد یاتاقان در محصولات صنعتی و مصرفی هستند. آنها در اکثر محیط ها مقاومت خوبی در برابر خوردگی ارائه می دهند، اما کاملاً ضد زنگ نیستند و برای هر برنامه ای گ...

2026-04-23

استراتژی های مهندسی برای بهینه سازی عمر سرویس بلبرینگ ه...
شرکت شانگهای Yinin Bearing & Transmission، که از سال 2016 به عنوان یک شرکت یکپارچه صنعت و تجارت تأسیس شده است، در طراحی و ساخت جامع اجزای چرخشی پیشرفته تخصص دارد. با سابقه ای به سال 1999 و تیم فنی ...

2026-04-15

چگونه می توان فاصله داخلی مناسب را برای یاتاقان توپ دو ...
تاثیر سرعت چرخش بالا بر خلاصی بلبرینگ نیروی گریز از مرکز و انبساط حرارتی : در کاربردهای پرسرعت، حلقه داخلی یک بلبرینگ دو ردیفه تماس زاویه ای معمولاً در دمای بالاتر از حلقه...

تماس با ما

SUBMIT

مشاوره فنی

  • شرکت تحمل و انتقال شانگهای یینین

    راهکارهای سفارشی

  • شرکت تحمل و انتقال شانگهای یینین

    تحقیق و توسعه مداوم

  • شرکت تحمل و انتقال شانگهای یینین

    کنترل کیفیت

  • شرکت تحمل و انتقال شانگهای یینین

    پشتیبانی و آموزش فنی

  • شرکت تحمل و انتقال شانگهای یینین

    پاسخ سریع

در صورت داشتن هرگونه مشاوره یا بازخورد فنی، ما در اسرع وقت حرفه‌ای‌ترین پاسخ را به شما ارائه خواهیم داد!

تماس با ما