سری 31300 بلبرینگ غلتکی
سری 31300 بلبرینگ غلتکی
سری 31300 بلبرینگ غلتکی

سری 31300

31300 یاطاقان غلتکی سریال بلبرینگ های نورد با ظرفیت بار بالا و مقاومت در برابر سایش عالی هستند و به طور گسترده در تجهیزات و ماشین آلات مختلف صنعتی مورد استفاده قرار می گیرند. این سری از یاتاقان ها یک طرح غلتکی مخروطی را اتخاذ می کنند و می توانند در برابر بارهای شعاعی و محوری مقاومت کنند. این مناسب برای استفاده در محیط های عملیاتی پر سرعت و پر سرعت است. از ویژگی های ساختاری آن می توان به سطوح تماس گیر روی حلقه های داخلی و بیرونی ، اطمینان از تناسب دقیق بین غلتک ها و جاده های جاده ای ، در نتیجه اصطکاک و تولید گرما را کاهش داد. مواد یاتاقان های سری 31300 معمولاً از فولاد آلیاژ با کیفیت بالا است که برای افزایش سختی و دوام در گرما تصفیه می شود. علاوه بر این ، این بلبرینگ همچنین از قابلیت های خود ترازو خوب برخوردار است ، که می تواند انحرافات ناشی از نصب نادرست یا خم شدن شافت را جبران کند و عمر خدمات خود را گسترش دهد. مناطق کاربردی مشترک شامل صنعت خودرو ، ماشین آلات معدن ، تجهیزات متالورژی و هوافضا است. $ $ $

ارسال درخواست

پارامترهای محصول

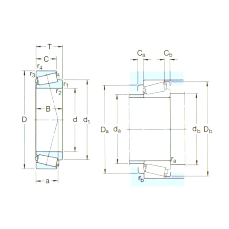
تعیین ابعاد اصلی (میلی متر رتبه بندی بار اساسی (KN پید رتبه بندی سرعت (RPM وزن (کیلوگرم) ISO335 ابعاد (میلی متر ابعاد کمبود و فیله (میلی متر ارزش
د1 D شرح Dحرفجف (CR) STC (COR) رتبه بندی سرعت محدود کردن سرعت ابعاد (AشرحMA) د D1 B C R1،2 (دقیقه) R3،4 (دقیقه) بوها دا (مکس) DB (دقیقه) DA (حداقل) دا (مکس) DB (دقیقه) CA (دقیقه) CB (دقیقه) RA (مکس) RB (حداکثر) اشمیه Y یوم
31305J2 25 62 18،25 38 40 4،4 7500 11000 0،26 7fb 25 45،8 17 13 1،5 1،5 20 34 32 47 55 59 3 5 1،5 1،5 0،83 0،72 0،4
31306J2/Q 30 72 20،75 55 50 5،7 7500 9500 0.39 7fb 30 52،7 19 14 1،5 1،5 22 40 37 55 65 68 3 6،5 1،5 1،5 0،83 0،72 0،4
31307J2/Q 35 80 22،75 71 67 7،8 6300 8500 0،52 7fb 35 59،6 21 15 2 1،5 25 45 44 62 71 76 3 7،5 2 1،5 0،83 0،72 0،4
31308J2/QCL7C 40 90 25،25 85 81،5 9،5 5600 7500 0،72 7fb 40 67،1 23 17 2 1،5 28 51 49 71 81 86 3 8 2 1،5 0،83 0،72 0،4
31309J2/QCL7C 45 100 27،25 106 102 12،5 5000 6700 0،95 7fb 45 74،7 25 18 2 1،5 31 57 53 79 91 95 4 9 2 1،5 0،83 0،72 0،4
31310J2/QCL7C 50 110 29،25 122 120 14،3 4500 6000 1،20 7fb 50 81،5 27 19 2،5 2 34 62 60 87 100 104 4 10 2 2 0،83 0،72 0،4
31311J2/QCL7C 55 120 31،5 140 137 16،6 4300 5600 1،55 7fb 55 88،4 29 21 2،5 2 37 68 65 94 112 113 4 10،5 2 2 0،83 0،72 0،4
31312J2/QCL7C 60 130 33،5 166 166 20،4 3800 5300 190 7fb 60 95،9 31 22 3 2،5 39 74 72 103 118 123 5 11،5 2،5 2 0،83 0،72 0،4
31313J2/QCL7C 65 140 36 190 193 23،6 3600 4800 2،35 7 گیگابایت 65 103 33 23 3 2،5 42 80 77 111 128 132 5 13 2،5 2 0،83 0،72 0،4
31314J2/QCL7C 70 150 38 216 220 27 3400 4500 2،95 7 گیگابایت 70 110 35 25 3 2،5 45 85 82 118 138 141 5 13 2،5 2 0،83 0،72 0،4
31315J2/QCL7C 75 160 40 240 245 29 3200 4300 3،50 7 گیگابایت 75 116 37 26 3 2،5 48 91 87 127 148 151 6 14 2،5 2 0،83 0،72 0،4
31316J1/QCL7C 80 170 42،5 260 265 32 3000 4000 4،05 7 گیگابایت 80 124 39 27 3 2،5 52 97 92 134 158 159 6 15،5 2،5 2 0،83 0،72 0،4
31317J2 85 180 44،5 242 285 33،5 2600 3800 4،60 7 گیگابایت 85 131 41 28 4 3 55 103 99 143 166 169 6 16،5 3 2،5 0،83 0،72 0،4
31318J2 90 190 46،5 264 315 36،5 2400 3400 5،90 7 گیگابایت 90 138 43 30 4 3 57 109 105 151 176 179 5 16،5 3 2،5 0،83 0،72 0،4
31319J2 95 200 49،5 292 355 39 2400 3400 6،95 7 گیگابایت 95 145 45 32 4 3 60 114 110 157 186 187 5 17،5 3 2،5 0،83 0،72 0،4
31320XJ2/CL7CVQ051 100 215 56،5 430 465 51 2400 3000 8،60 7 گیگابایت 100 158 51 35 4 3 65 121 115 168 201 202 7 21،5 3 2،5 0،83 0،72 0،4
31322XJ2 110 240 63 457 585 62 1900 2800 12،0 7 گیگابایت 110 176 57 38 4 3 72 135 125 188 226 224 7 25 3 2،5 0،83 0،72 0،4
31324XJ2 120 260 68 539 695 73،5 1700 2400 15،5 7 گیگابایت 120 190 62 42 4 3 78 145 135 203 245 244 9 26 3 2،5 0،83 0،72 0،4
31326XJ2 130 280 72 605 780 81،5 1600 2400 18،5 7 گیگابایت 130 204 66 44 5 4 84 157 150 218 263 261 8 28 4 3 0،83 0،72 0،4
31328XJ2 140 300 77 693 900 88 1500 2200 24،5 7 گیگابایت 140 219 70 47 5 4 90 169 160 235 283 280 9 30 4 3 0،83 0،72 0،4
31330XJ2 150 320 82 781 1020 100 1400 2000 29،5 7 گیگابایت 150 234 75 50 5 4 96 181 170 251 303 300 9 32 4 3 0،83 0،72 0،4 $ $ $

درباره Yinin

شرکت تحمل و انتقال شانگهای یینین تأسیس در سال ۲۰۰۹، با بیش از ۲۰ سال تجربه در زمینه بلبرینگ. ما چین سری 31300 بلبرینگ غلتکی تولیدکننده و ارائه دهنده سفارشی سری 31300 بلبرینگ غلتکی کارخانه. از سال ۱۹۹۹، ما به عنوان نماینده تولیدکنندگان بلبرینگ چینی فعالیت می‌کنیم و بلبرینگ‌های مختلفی را صادر می‌کنیم. امروزه، ما به یک گروه جامع بلبرینگ تبدیل شده‌ایم که فروش و تولید را با هم ادغام می‌کند.

کاربرد صنعتی

یاتاقان ها همچنین در ماشین آلات کشاورزی نقش بسیار مهمی دارند. آنها برای حمایت از قطعات چرخان ، کا...

یاتاقان ها به طور گسترده ای در اتومبیل استفاده می شوند. آنها قسمتهای اصلی پشتیبانی و چرخان بسیاری...

برای پشتیبانی ، ارتفاع ، زاویه ، مفصل و قطعات چرخان تجهیزات پزشکی استفاده می شود. $ $ $

برای پشتیبانی ، چرخش ، موتور و کمپرسور لوازم خانگی استفاده می شود. $ $ $

مورد استفاده برای چرخش و حرکت پشتیبانی و راهنمایی قطعات تجهیزات اتوماسیون $ $ $

در سازه های ساختمان ، از یاتاقان ها می توان برای اتصال اجزای ساختاری مختلف استفاده کرد. $ $ $

در فرآیند تولید مواد غذایی و نوشیدنی ها ، پمپ ها برای انتقال مایعات و کمپرسورها برای فشرده سازی گ...

یاتاقان ها در موتورهای هواپیما و فضاپیما برای پشتیبانی از اجزای چرخشی مانند توربین ها ، فن ها و ش...

اطلاعات اخبار

بیشتر بدانید

2025-10-30

Application and Selection Recommendations of Deep Groov...
The deep groove ball bearing is the workhorse of the electric motor industry, serving as a critical component in everything from small appliance motors to large industrial drives. Its versatility, rel...

2025-10-24

Deep Groove Ball Bearing Installation Direction and Pre...
Proper installation is the most critical factor determining the performance, accuracy, and service life of a deep groove ball bearing. Unlike tapered roller bearings, a common point of confusion surro...

2025-10-17

How to Judge the Service Life and Wear Degree of Deep G...
Deep groove ball bearings are among the most common and versatile bearing types, found in everything from small electric motors to heavy industrial machinery. Their reliability is critical, but like a...

تماس با ما

SUBMIT

مشاوره فنی

  • شرکت تحمل و انتقال شانگهای یینین

    راهکارهای سفارشی

  • شرکت تحمل و انتقال شانگهای یینین

    تحقیق و توسعه مداوم

  • شرکت تحمل و انتقال شانگهای یینین

    کنترل کیفیت

  • شرکت تحمل و انتقال شانگهای یینین

    پشتیبانی و آموزش فنی

  • شرکت تحمل و انتقال شانگهای یینین

    پاسخ سریع

در صورت داشتن هرگونه مشاوره یا بازخورد فنی، ما در اسرع وقت حرفه‌ای‌ترین پاسخ را به شما ارائه خواهیم داد!

تماس با ما