بلبرینگ غلتکی Tapered سری 30200 یک بلبری با کارایی بالا است که به طور گسترده در ماشین آلات و صنایع خودرو مورد استفاده قرار می گیرد. این سری از یاتاقان ها دارای حلقه های داخلی و بیرونی و طرح های غلتکی است که می تواند در برابر بارهای شعاعی و محوری مقاومت کند و با عملکرد پر سرعت و شرایط بار سنگین سازگار شود. اندازه سری 30200 معمولاً به قطر داخلی 10 میلی متر تا 100 میلی متر و در قطر بیرونی 30 میلی متر تا 150 میلی متر است. برای تجهیزات مختلف مکانیکی مانند موتورهای برقی ، گیربکس و تجهیزات صنعتی مناسب است. طراحی مخروط عناصر نورد آن به طور موثری اصطکاک را کاهش می دهد و راندمان و دوام عملکرد را بهبود می بخشد. این سری از یاتاقان ها از فرایندهای فولادی با کیفیت بالا و تولید پیشرفته برای اطمینان از عملکرد عالی و عمر خدمات قابل اعتماد استفاده می کنند. علاوه بر این ، سری 30200 می تواند گزینه های مختلف آب بندی و روغن کاری را با توجه به نیاز مشتری برای تأمین نیازهای سناریوهای برنامه خاص ارائه دهد. $ $ $
پارامترهای محصول
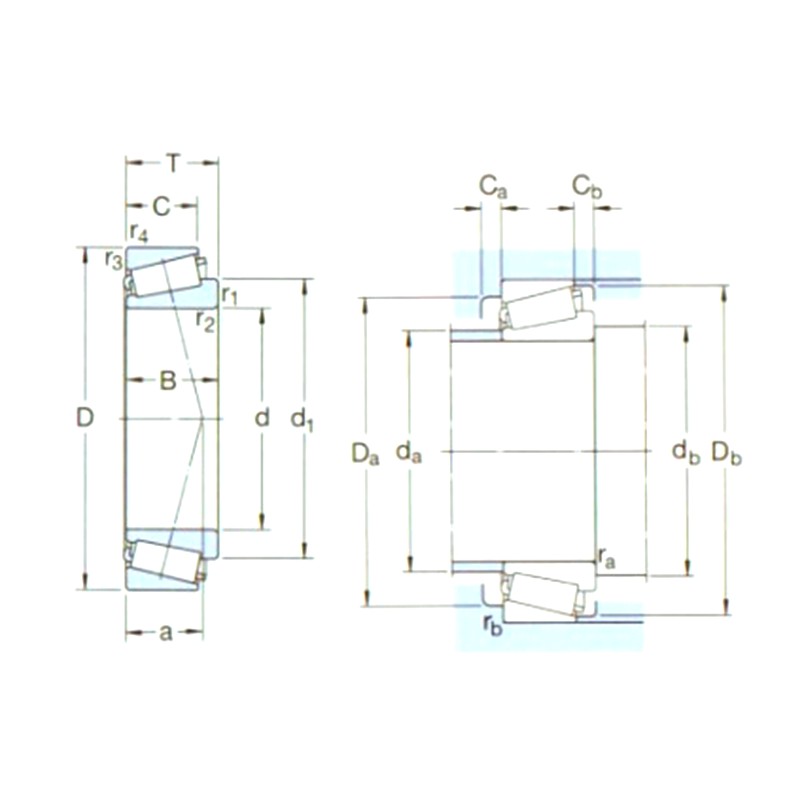
| تعیین | ابعاد اصلی (میلی متر | رتبه بندی بار اساسی (KN | پید | رتبه بندی سرعت (RPM | وزن (کیلوگرم) | ISO335 | ابعاد (میلی متر | ابعاد کمبود و فیله (میلی متر | ارزش | ||||||||||||||||||||
|---|---|---|---|---|---|---|---|---|---|---|---|---|---|---|---|---|---|---|---|---|---|---|---|---|---|---|---|---|---|
| د1 | D | شرح | Dحرفجف (CR) | STC (COR) | رتبه بندی سرعت | محدود کردن سرعت | ابعاد (AشرحMA) | د | D1 | B | C | R1،2 (دقیقه) | R3،4 (دقیقه) | بوها | دا (مکس) | DB (دقیقه) | DA (حداقل) | دا (مکس) | DB (دقیقه) | CA (دقیقه) | CB (دقیقه) | RA (مکس) | RB (حداکثر) | اشمیه | Y | یوم | |||
| 30203J2 | 17 | 40 | 13،25 | 19 | 18،6 | 183 | 13000 | 18000 | 0.075 | 2db | 17 | 28 | 12 | 11 | 1 | 1 | 10 | 23 | 23 | 34 | 34 | 37 | 2 | 2 | 1 | 1 | 0.35 | 1،7 | 0،9 |
| 30204J2/Q | 20 | 47 | 15،25 | 32 | 28 | 3 | 12000 | 15000 | 0،12 | 2db | 20 | 33،2 | 14 | 12 | 1 | 1 | 11 | 27 | 26 | 40 | 41 | 43 | 2 | 3 | 1 | 1 | 0.35 | 1،7 | 0،9 |
| 30205J2/q | 25 | 52 | 16،25 | 35.5 | 33،5 | 3،45 | 11000 | 13000 | 0،15 | 3 سی سی | 25 | 37،4 | 15 | 13 | 1 | 1 | 12 | 31 | 31 | 44 | 46 | 48 | 2 | 3 | 1 | 1 | 0،37 | 1،6 | 0،9 |
| 302/28J2 | 28 | 58 | 17،25 | 38 | 41،5 | 4،4 | 9000 | 12000 | 0.25 | جدید | 28 | 41،8 | 16 | 14 | 1 | 1 | 13 | 35 | 34 | 50 | 52 | 54 | 2 | 3 | 1 | 1 | 0،37 | 1،6 | 0،9 |
| 30206J2/Q | 30 | 62 | 17،25 | 46،5 | 44 | 4،8 | 9000 | 11000 | 0،23 | 3DB | 30 | 44،6 | 16 | 14 | 1 | 1 | 14 | 38 | 36 | 53 | 56 | 57 | 2 | 3 | 1 | 1 | 0،37 | 1،6 | 0،9 |
| 30207J2/Q | 35 | 72 | 18،25 | 58،5 | 56 | 6،1 | 8000 | 9500 | 0،32 | 3DB | 35 | 51،8 | 17 | 15 | 1،5 | 1،5 | 15 | 44 | 42 | 62 | 65 | 67 | 3 | 3 | 1،5 | 1،5 | 0،37 | 1،6 | 0،9 |
| 30208J2/Q | 40 | 80 | 19،75 | 71 | 68 | 7،65 | 7000 | 8500 | 0،42 | 3DB | 40 | 57،5 | 18 | 16 | 1،5 | 1،5 | 16 | 49 | 47 | 69 | 73 | 74 | 3 | 3،5 | 1،5 | 1،5 | 0،37 | 1،6 | 0،9 |
| 30209J2/Q | 45 | 85 | 20،75 | 76،5 | 76،5 | 8،65 | 6300 | 8000 | 0،48 | 3DB | 45 | 63 | 19 | 16 | 1،5 | 1،5 | 18 | 54 | 52 | 74 | 78 | 80 | 3 | 4،5 | 1،5 | 1،5 | 0،4 | 1،5 | 0،8 |
| 30210J2/Q | 50 | 90 | 21،75 | 86،5 | 91،5 | 10،4 | 6000 | 7500 | 0،54 | 3DB | 50 | 67،9 | 20 | 17 | 1،5 | 1،5 | 19 | 58 | 57 | 79 | 83 | 85 | 3 | 4،5 | 1،5 | 1،5 | 0،43 | 1،4 | 0،8 |
| 30211J2/q | 55 | 100 | 22،75 | 104 | 106 | 12 | 5300 | 6700 | 0.70 | 3DB | 55 | 74،6 | 21 | 18 | 2 | 1،5 | 20 | 64 | 64 | 88 | 93 | 94 | 4 | 4،5 | 2 | 1،5 | 0،4 | 1،5 | 0،8 |
| 30212J2/q | 60 | 110 | 23،75 | 112 | 114 | 13،2 | 5000 | 6000 | 0،88 | 3EB | 60 | 81،5 | 22 | 19 | 2 | 1،5 | 22 | 70 | 68 | 96 | 103 | 103 | 4 | 4،5 | 2 | 1،5 | 0،4 | 1،5 | 0،8 |
| 30213J2/q | 65 | 120 | 24،75 | 132 | 134 | 16،3 | 4500 | 5600 | 1،15 | 3EB | 65 | 89 | 23 | 20 | 2 | 1،5 | 23 | 78 | 74 | 106 | 113 | 113 | 4 | 4،5 | 2 | 1،5 | 0،4 | 1،5 | 0،8 |
| 30214J2/q | 70 | 125 | 26،25 | 125 | 156 | 18 | 4000 | 5300 | 1،25 | 3EB | 70 | 93،9 | 24 | 21 | 2 | 1،5 | 25 | 82 | 78 | 110 | 115 | 118 | 4 | 5 | 2 | 1،5 | 0،43 | 1،4 | 0،8 |
| 30215J2/q | 75 | 130 | 27،25 | 140 | 176 | 20،4 | 3800 | 5000 | 140 | 4DB | 75 | 99،2 | 25 | 22 | 2 | 1،5 | 27 | 86 | 84 | 115 | 122 | 124 | 4 | 5 | 2 | 1،5 | 0،43 | 1،4 | 0،8 |
| 30216J2/q | 80 | 140 | 28،25 | 151 | 183 | 21،2 | 3400 | 4800 | 160 | 3EB | 80 | 105 | 26 | 22 | 2،5 | 2 | 28 | 92 | 90 | 124 | 130 | 132 | 4 | 6 | 2 | 2 | 0،43 | 1،4 | 0،8 |
| 30217J2/q | 85 | 150 | 30،5 | 176 | 220 | 25،5 | 3200 | 4300 | 2،05 | 3EB | 85 | 112 | 28 | 24 | 2،5 | 2 | 30 | 97 | 95 | 132 | 140 | 141 | 5 | 6،5 | 2 | 2 | 0،43 | 1،4 | 0،8 |
| 30218J2 | 90 | 160 | 32،5 | 194 | 245 | 28،5 | 3000 | 4000 | 255 | 3FB | 90 | 118 | 30 | 26 | 2،5 | 2 | 31 | 104 | 101 | 140 | 150 | 150 | 5 | 6،5 | 2 | 2 | 0،43 | 1،4 | 0،8 |
| 30219J2 | 95 | 170 | 34،5 | 216 | 275 | 31،5 | 2800 | 3800 | 3،00 | 3FB | 95 | 126 | 32 | 27 | 3 | 2،5 | 33 | 110 | 107 | 149 | 158 | 159 | 5 | 7،5 | 2،5 | 2 | 0،43 | 1،4 | 0،8 |
| 33020/q | 100 | 150 | 39 | 224 | 390 | 41،5 | 3000 | 4000 | 2،40 | 2 درجه | 100 | 122 | 39 | 32،5 | 2 | 1،5 | 29 | 109 | 108 | 135 | 142 | 143 | 7 | 6،5 | 2 | 1،5 | 0،3 | 2 | 1،1 |
| 30220J2 | 100 | 180 | 37 | 246 | 320 | 36 | 2800 | 3600 | 3،65 | 3FB | 100 | 133 | 34 | 29 | 3 | 2،5 | 35 | 116 | 112 | 157 | 168 | 168 | 5 | 8 | 2،5 | 2 | 0،43 | 1،4 | 0،8 |
| 33021/س | 105 | 160 | 43 | 246 | 430 | 45،5 | 2800 | 3800 | 3،05 | 2DE | 105 | 131 | 43 | 34 | 2،5 | 2 | 31 | 117 | 116 | 145 | 150 | 153 | 7 | 9 | 2 | 2 | 0،28 | 2،1 | 1،1 |
| 30221J2 | 105 | 190 | 39 | 270 | 355 | 40 | 2600 | 3400 | 4،25 | 3FB | 105 | 141 | 36 | 30 | 3 | 2،5 | 37 | 123 | 117 | 165 | 178 | 177 | 6 | 9 | 2،5 | 2 | 0،43 | 1،4 | 0،8 |
| 33022 | 110 | 170 | 47 | 281 | 500 | 53 | 2600 | 3600 | 3،85 | 2DE | 110 | 139 | 47 | 37 | 2،5 | 2 | 34 | 123 | 121 | 152 | 160 | 161 | 7 | 10 | 2 | 2 | 0،28 | 2،1 | 1،1 |
| 30222J2 | 110 | 200 | 41 | 308 | 405 | 45 | 2400 | 3200 | 5،10 | 3FB | 110 | 148 | 38 | 32 | 3 | 2،5 | 39 | 129 | 122 | 174 | 188 | 187 | 6 | 9 | 2،5 | 2 | 0،43 | 1،4 | 0،8 |
| 33024 | 120 | 180 | 48 | 292 | 540 | 56 | 2600 | 3400 | 4،20 | 2DE | 120 | 149 | 48 | 38 | 2،5 | 2 | 36 | 132 | 131 | 160 | 170 | 171 | 6 | 10 | 2 | 2 | 0،3 | 2 | 1،1 |
| 30224J2 | 120 | 215 | 43،5 | 341 | 465 | 49 | 2200 | 3000 | 6،15 | 4FB | 120 | 161 | 40 | 34 | 3 | 2،5 | 43 | 141 | 132 | 187 | 203 | 201 | 6 | 9،5 | 2،5 | 2 | 0،43 | 1،4 | 0،8 |
| 30226J2 | 130 | 230 | 43،75 | 369 | 490 | 53 | 2000 | 2800 | 7،60 | 4FB | 130 | 173 | 40 | 34 | 4 | 3 | 45 | 152 | 146 | 203 | 216 | 217 | 7 | 9،5 | 3 | 2،5 | 0،43 | 1،4 | 0،8 |
| 30228J2 | 140 | 250 | 45،75 | 418 | 570 | 58،5 | 1900 | 2600 | 8،65 | 4FB | 140 | 186 | 42 | 36 | 4 | 3 | 47 | 164 | 156 | 219 | 236 | 234 | 7 | 9،5 | 3 | 2،5 | 0،43 | 1،4 | 0،8 |
| 30230 | 150 | 270 | 49 | 429 | 560 | 57 | 1800 | 2400 | 11،0 | 4 گیگابایت | 150 | 200 | 45 | 38 | 4 | 3 | 50 | 175 | 166 | 234 | 256 | 250 | 9 | 11 | 3 | 2،5 | 0،43 | 1،4 | 0،8 |
| 30232J2 | 160 | 290 | 52 | 528 | 735 | 72 | 1600 | 2200 | 13،0 | 4 گیگابایت | 160 | 214 | 48 | 40 | 4 | 3 | 54 | 189 | 176 | 252 | 275 | 269 | 8 | 12 | 3 | 2،5 | 0،43 | 1،4 | 0،8 |
| 30234J2 | 170 | 310 | 57 | 616 | 865 | 83 | 1500 | 2000 | 19،0 | 4 گیگابایت | 170 | 230 | 52 | 43 | 5 | 4 | 58 | 203 | 190 | 268 | 293 | 288 | 8 | 14 | 4 | 3 | 0،43 | 1،4 | 0،8 |
| 30236J2 | 180 | 320 | 57 | 583 | 815 | 80 | 1500 | 2000 | 20،0 | 4 گیگابایت | 180 | 239 | 52 | 43 | 5 | 4 | 61 | 211 | 200 | 278 | 303 | 297 | 9 | 14 | 4 | 3 | 0،44 | 135 | 0،8 |
| 30238J2 | 190 | 340 | 60 | 721 | 1000 | 95 | 1400 | 1800 | 24،0 | 4 گیگابایت | 190 | 254 | 55 | 46 | 5 | 4 | 63 | 224 | 210 | 298 | 323 | 318 | 9 | 14 | 4 | 3 | 0،43 | 1،4 | 0،8 |
| 30240J2 | 200 | 360 | 64 | 792 | 1120 | 106 | 1300 | 1700 | 25،0 | 4 گیگابایت | 200 | 268 | 58 | 48 | 5 | 4 | 68 | 237 | 220 | 315 | 343 | 336 | 9 | 16 | 4 | 3 | 0،43 | 1،4 | 0،8 |
| 30244J2 | 220 | 400 | 72 | 990 | 1400 | 129 | 1200 | 1600 | 40،0 | جدید | 220 | 294 | 65 | 54 | 5 | 4 | 74 | 259 | 242 | 348 | 383 | 371 | 10 | 18 | 4 | 3 | 0،43 | 1،4 | 0،8 $ $ $ |
درباره Yinin
کاربرد صنعتی
اطلاعات اخبار
تماس با ما
مشاوره فنی
راهکارهای سفارشی
تحقیق و توسعه مداوم
کنترل کیفیت
پشتیبانی و آموزش فنی
پاسخ سریع
در صورت داشتن هرگونه مشاوره یا بازخورد فنی، ما در اسرع وقت حرفهایترین پاسخ را به شما ارائه خواهیم داد!